果博东方
中国政府网
湖北政府网
武汉政府网
智能问答
长者专区
无障碍
登录
注册
搜 索
搜 索
首 页
政府信息公开
办事服务
互动交流
数据开放
走进果博东方
专题导航
首 页
政府信息公开
办事服务
互动交流
数据开放
走进果博东方
专题导航
当前位置:
果博东方
>
政府信息公开
>
政府网站工作年度报表
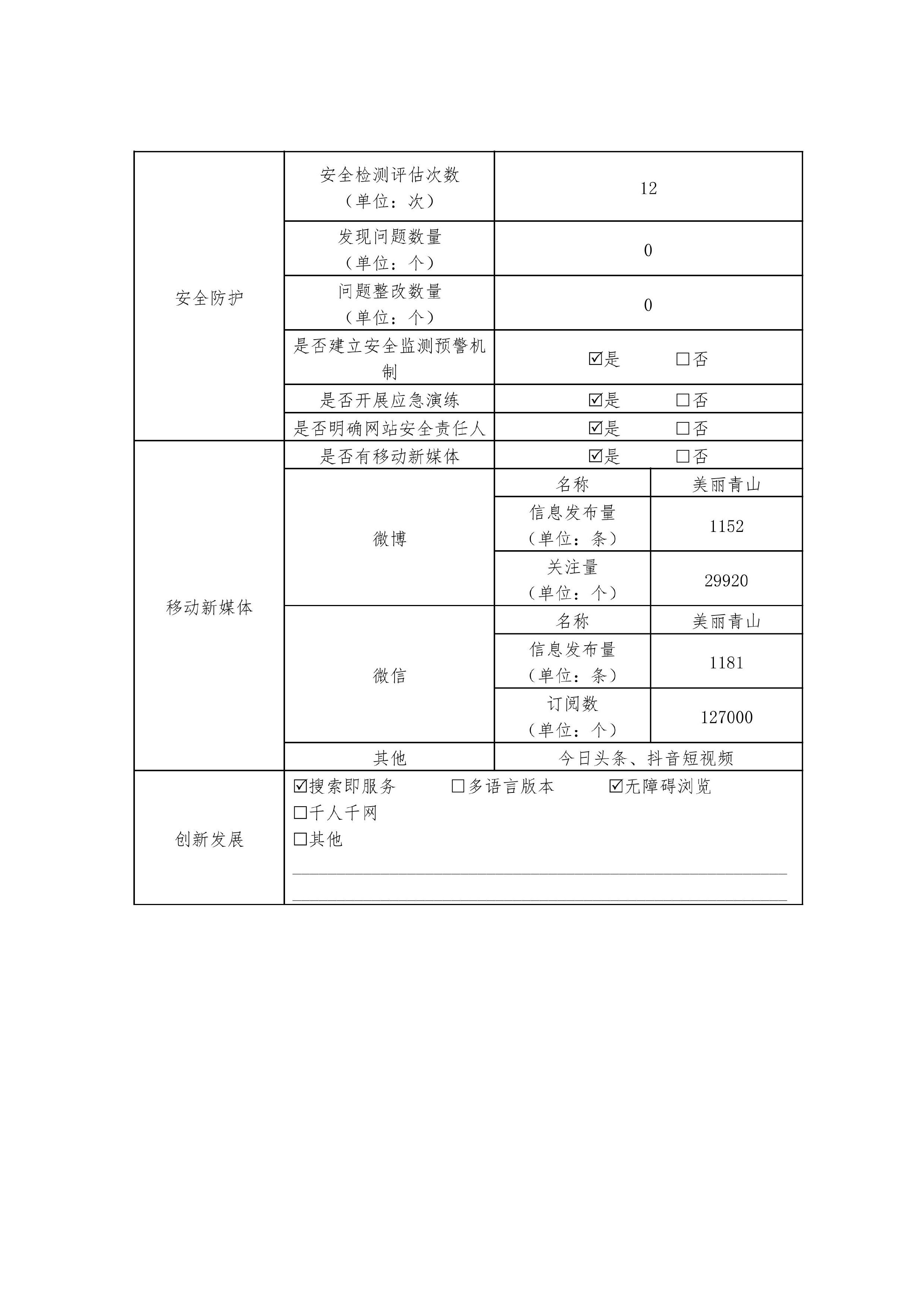
政府网站工作年度报表(2024年度)
发布时间:2025-01-14 19:35
|
来源:果博东方(中国)官方网站 大数据中心
扫一扫在手机上查看当前页面
下载
打印
关闭
2518063
政府网站工作年度报表(2024年度)
20
果博东方(中国)官方网站 大数据中心
2025-01-14
38514
政府网站工作年度报表