| 索 引 号 | 733569413/2022-36249 | 发布日期 | 2022-10-28 |
|---|---|---|---|
| 发布机构 | 果博东方(中国)官方网站 档案馆 | 有 效 性 | 有效 |
| 标 题 | 2021年度武汉市果博东方(中国)官方网站 档案馆部门决算公开 | 文 号 | 无 |
2021年度武汉市果博东方(中国)官方网站 档案馆部门决算公开
附件1
2021年度武汉市果博东方(中国)官方网站 档案馆
部门决算公开
2022年10月25日
目 录
第一部分 武汉市果博东方(中国)官方网站 档案馆概况
一、部门主要职能
二、部门决算单位构成
三、部门人员构成
第二部分 武汉市果博东方(中国)官方网站 档案馆2021年度部门决算表
一、收入支出决算总表(表1)
二、收入决算表(表2)
三、支出决算表(表3)
四、财政拨款收入支出决算总表(表4)
五、一般公共预算财政拨款支出决算表(表5)
六、一般公共预算财政拨款基本支出决算明细表(表6)
七、一般公共预算财政拨款“三公”经费支出决算表(表7)
八、政府性基金预算财政拨款收入支出决算表(表8)
九、国有资本经营预算财政拨款支出决算表(表9)
第三部分 武汉市果博东方(中国)官方网站 档案馆2021年度部门决算情况说明
一、收入支出决算总体情况说明
二、收入决算情况说明
三、支出决算情况说明
四、财政拨款收入支出决算总体情况说明
五、一般公共预算财政拨款支出决算情况说明
六、一般公共预算财政拨款基本支出决算情况说明
七、一般公共预算财政拨款“三公”经费支出决算情况说明
八、政府性基金预算财政拨款收入支出决算情况说明
九、国有资本经营预算财政拨款支出决算情况说明
十、机关运行经费支出说明
十一、政府采购支出说明
十二、国有资产占用情况说明
十三、预算绩效情况说明
第四部分 2021年重点工作完成情况
第五部分 名词解释
第六部分 附件
第一部分 武汉市果博东方(中国)官方网站 档案馆概况
一、部门主要职能
(一)贯彻执行中央、省、市、区关于档案、史志工作的方针政策、法律法规和工作部署,拟订本行政区域内档案馆室建设、史志事业发展中长期规划与年度计划,并组织实施;
(二)承担对进馆档案和史志资料征集、接收、整理、保管、利用、编研、鉴定、开放、安全、保密、统计和日常管理工作;
(三)承担档案、史志、政府公开信息查询利用接待工作,编制和完善检索工具,编写利用效果实例;
(四)开展档案、史志编研工作,组织编撰果博东方(中国)官方网站 档案资料、地方党史、区志、年鉴、区情概览、党史大事记、专史、党史人物传记等,开发档案、史志资源,为区领导决策和全区经济社会发展提供具有较高参考价值的编研资料;
(五)利用新技术促进档案、史志信息化,推进智能档案馆、史志馆建设和便民服务;
(六)根据形势需要,组织开展档案、史志宣教活动,举办档案、史志等历史文化专题展览,提升全员档案意识和历史意识,发挥档案馆“五位一体”功能;
(七)开展档案、史志理论研究,探索档案、史志事业发展规律,组织参与相关学术活动;
(八)完成上级部门和领导交办的其他事项。
二、部门决算单位构成
从单位构成看,武汉市果博东方(中国)官方网站 档案馆部门决算由纳入独立核算的单位本级决算。
三、部门人员构成
武汉市果博东方(中国)官方网站 档案馆在职实有人数8人,其中:行政0.00人,事业8人(其中:参照公务员法管理8人)。
离退休人员16人,其中:离休0人,退休16人。
第二部分 武汉市果博东方(中国)官方网站 档案馆2021年度部门决算表









第三部分
武汉市果博东方(中国)官方网站
档案馆2021年度
部门决算情况说明
一、收入支出决算总体情况说明
2021年度收、支总计501.54万元。与2020年度相比,收、支总计各减少196.39万元,下降28.14%,主要原因一是1名在职人员到龄退休;二是2020年因业务评查和疫情原因,增加了业务评查经费及疫情档案整理经费。

二、收入决算情况说明
2021年度收入合计501.54万元。其中:财政拨款收入501.54万元,占本年收入100.00%;上级补助收入0.00万元,占本年收入0.00%;事业收入0.00万元,占本年收入0.00%;经营收入0.00万元,占本年收入0.00%;其他收入0.00万元,占本年收入0.00%。

三、支出决算情况说明
2021年度支出合计501.54万元。其中:基本支出356.27万元,占本年支出71.04%;项目支出145.27万元,占本年支出28.96%;上缴上级支出0.00万元,占本年支出0.00%;经营支出0.00万元,占本年支出0.00%。

四、财政拨款收入支出决算总体情况说明
2021年度财政拨款收、支总计501.54万元。与2020年度相比,财政拨款收、支总计各减少196.39万元,下降28.14%。主要原因一是1名在职人员到龄退休;二是2020年因业务评查和疫情原因,增加了业务评查经费及疫情档案整理经费。

五、一般公共预算财政拨款支出决算情况说明
(一)财政拨款支出决算总体情况。
2021年度财政拨款支出501.54万元,占本年支出合计的100.00%。与2020年度相比,财政拨款支出减少196.39万元,下降28.14 %。主要原因一是1名在职人员到龄退休;二是2020年因业务评查和疫情原因,增加了业务评查经费及疫情档案整理经费。
(二)财政拨款支出决算结构情况。
2021年度财政拨款支出501.54万元,主要用于以下方面:一般公共服务(类)支出423.83万元,占84.50 %;
社会保障和就业(类)支出13.42万元,占2.68 %。
卫生健康(类)支出38.87万元,占7.75 %
住房保障(类)支出25.42万元,占5.07 %
(三)财政拨款支出决算具体情况。
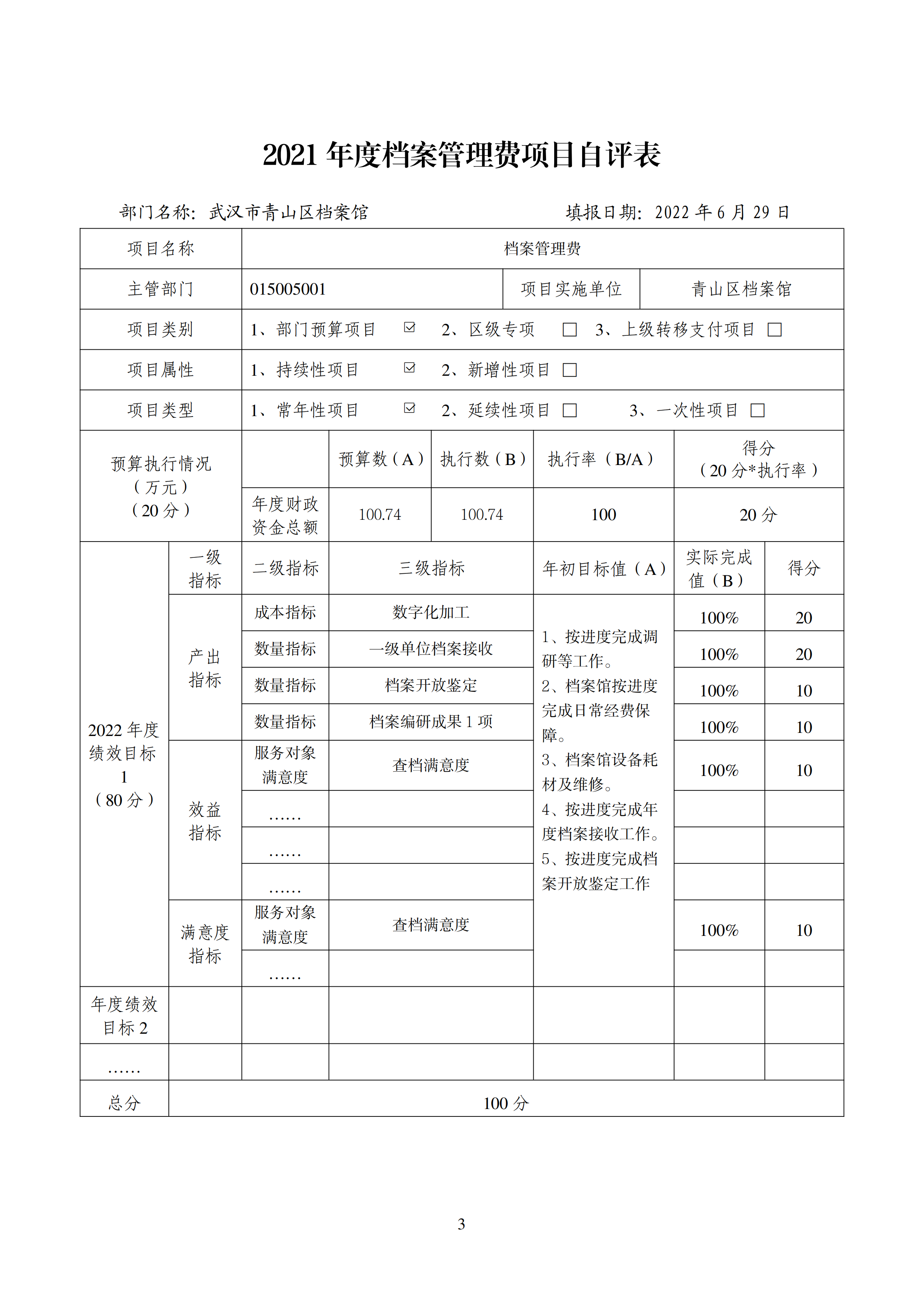
2021年度一般公共预算财政拨款支出年初预算为442.76万元,支出决算为501.54万元,完成年初预算的113.28%。其中:基本支出356.27万元,项目支出145.27万元。项目支出主要用于档案管理费100.74万元,主要用于档案接收、质检、管理,设备维护,系统运维,提供查询服务,档案编研、宣教等。编纂经费33.17万元,用于召开年鉴工作会议,布置年鉴编纂任务,开展业务培训,征集稿件。《果博东方 年鉴》2021年卷于年底完成校稿、印刷、出版发行。《武汉年鉴》果博东方 供稿及其他地情资料按上级进度完成;服务部退休人员(樊萍)统筹外经费1.99元,主要用于按月支付原档案馆二级单位文化用品服务部退休人员工资差额;老干工作部门专项款1.94万元,主要用于老干春节慰问及老干活动开支。卫生健康支出7.43万元,主要用于保障在职退休人员医疗补贴支出。
1.一般公共服务支出(类)。年初预算为376.10万元,支出决算为423.83万元,完成年初预算的112.69%。
2.社会保障和就业支出(类)。年初预算为13.42万元,支出决算为13.42万元,完成年初预算的100.00%。
3.卫生健康支出(类)。年初预算为30.13万元,支出决算为38.87万元,完成年初预算的129.01%。
4.住房保障支出(类)。年初预算为23.11万元,支出决算为25.42万元,完成年初预算的110.00%。
六、一般公共预算财政拨款基本支出决算情况说明
2021年度一般公共预算财政拨款基本支出356.27万元,其中:
人员经费333.75万元,主要包括:基本工资、津贴补贴、奖金、伙食补助费、绩效工资、机关事业单位基本养老保险缴费、职业年金缴费、职工基本医疗保险缴费、公务员医疗补助缴费、其他社会保障缴费、住房公积金、医疗费、其他工资福利支出、退休费、生活补助、医疗费补助、代缴社会保险费、其他对个人和家庭的补助。
公用经费22.51万元,主要包括:办公费、印刷费、咨询费、手续费、水费、电费、邮电费、取暖费、物业管理费、维修(护)费、劳务费、工会经费、福利费、税金及附加费用、其他商品和服务支出、办公设备购置、其他资本性支出。
七、一般公共预算财政拨款“三公 ”经费支出决算情况说明
武汉市果博东方(中国)官方网站 档案馆2021年度无“三公”经费预算及支出。
八、政府性基金预算财政拨款收入支出决算情况
武汉市果博东方(中国)官方网站 档案馆2021年度无政府性基金预算财政拨款收入、支出及结转和结余情况。
国有资本经营预算财政拨款支出决算情况
武汉市果博东方(中国)官方网站 档案馆2021年度无国有资本经营预算。
机关运行经费支出情况
2021年度武汉市果博东方(中国)官方网站 档案馆机关运行经费支出22.51万元,比2020年度减少0.15万元,下降0.67%。主要原因是1名在职人员到龄退休。
政府采购支出情况
武汉市果博东方(中国)官方网站 档案馆2021年度无政府采购支出。
国有资产占用情况
截至2021年12月31日,武汉市果博东方(中国)官方网站 档案馆无国有资产。
预算绩效情况说明
(一)预算绩效管理工作开展情况
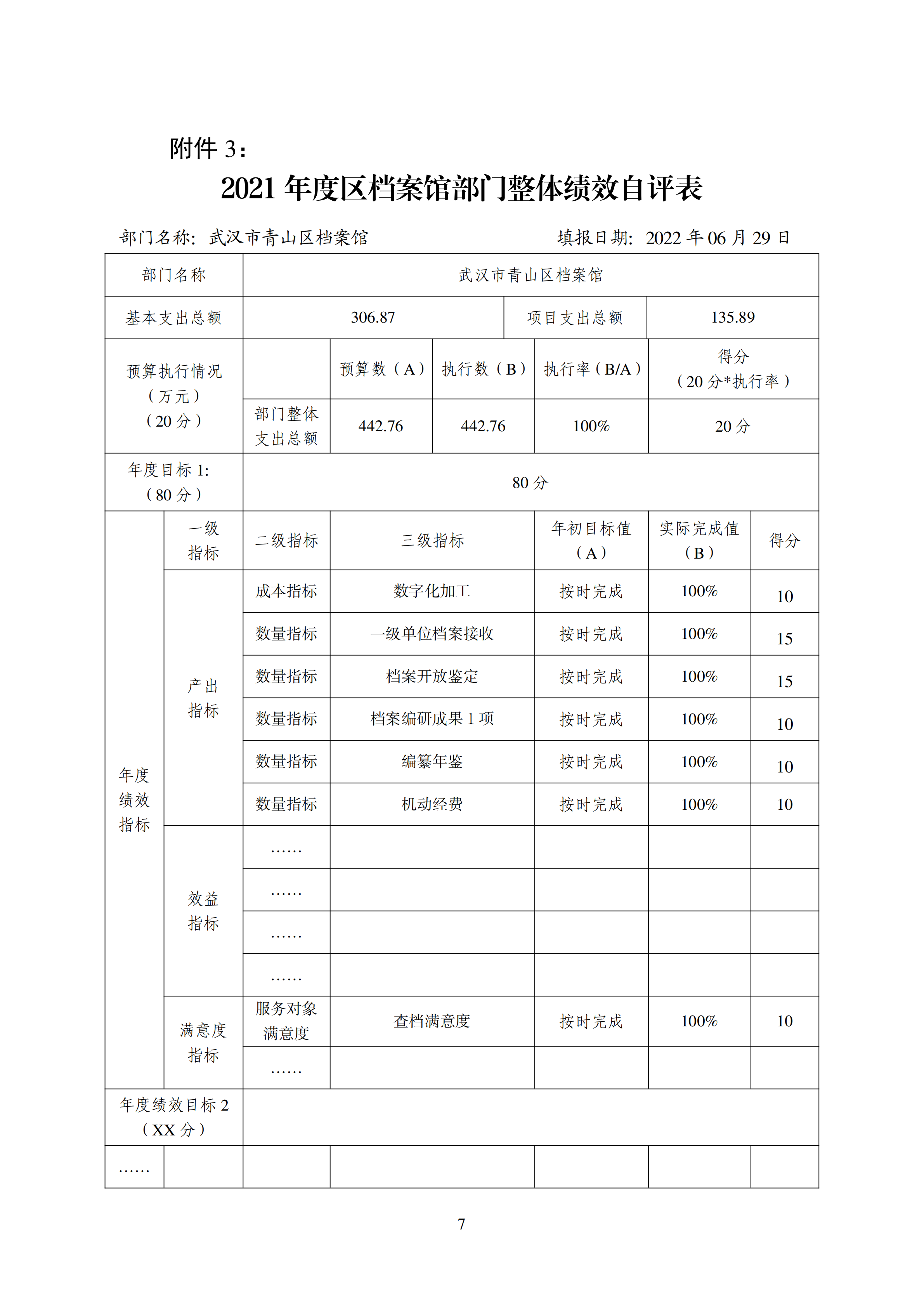
根据预算绩效管理要求,区档案馆组织对2021年度一般公共预算项目支出全面开展绩效自评,共涉及项目3个,资金135.89万元,占一般公共预算项目支出总额的93.54%。从绩效评价情况来看,项目支出绩效情况理想,全部达到项目申请时设定的绩效目标。
(二)区档案馆整体支出自评结果
我单位组织对本单位开展整体支出绩效自评,资金135.89万元,从评价情况来看,项目支出绩效情况理想,全部达到项目申请时设定的绩效目标。
(三)项目支出自评结果
区档案馆在2021年度部门决算中反映所有项目绩效自评结果(不包括涉密项目),共涉及3个一级项目。
1.档案管理费项目绩效自评综述:项目全年预算数为100.74万元,执行数为100.74万元,完成预算的100%。主要产出和效益是:档案接收、质检、管理,设备维护,系统运维,提供查询服务,档案编研、宣教等。
2.编纂经费项目绩效自评综述:项目全年预算数为33.17万元,执行数为33.17万元,完成预算的100%。主要产出和效益是:用于召开年鉴工作会议,布置年鉴编纂任务,开展业务培训,征集稿件。《果博东方 年鉴》2021年卷于年底完成校稿、印刷、出版发行。《武汉年鉴》果博东方 供稿及其他地情资料按上级进度完成。
3.服务部退休人员(樊萍)统筹外经费项目绩效自评综述:项目全年预算数为1.99万元,执行数为1.99万元,完成预算的100%。主要产出和效益是:按月支付原档案馆二级单位文化用品服务部退休人员工资差额。
(四)绩效自评结果应用情况
武汉市果博东方(中国)官方网站 档案馆将本次绩效自评的结果作为以后年度资金分配的重要依据部门,加强项目规划、细化绩效目标管理,强化资金管理水平,不断优化项目管理。
第四部分 2021年重点工作完成情况
一、重点工作事项标题
1.制定档案接收工作计划。
2.提供档案、政府公开信息查询服务。
3.完成馆藏开放鉴定工作。
4.区档案馆固定陈列展、党史图片展布展工作。
5.协助区档案局完成单位档案管理目标复查认定工作。
6.《果博东方 年鉴》、《武汉年鉴》供稿。
7.开展《街道志》编修工作。
二、重点工作事项标题
序号 | 重要事项 | 工作内容及目标 | 完成情况 |
1 | 制定档案接收工作计划。 | 有计划推进全区各单位到期档案进馆,全年完成2万卷接收工作。 | 国资集团、区水务局重大活动、区新冠疫情重大事件、区司法局公证档案进馆,约36924卷、32741件;同时完成区政协、冶金街、钢花村街、红钢城街、行政审批局等22家约3533卷、44425件期满进馆单位的质检工作。 |
2 | 提供档案、政府公开信息查询服务。 | 为全区各单位和居民提供档案、政府公开信息查询服务,满意率达到99%。 | 馆查阅大厅为全区提供档案、政府公开信息查询共计852人次、1164卷次,其中工作查考575人次、983卷次,277人次、181卷次;文档中心为区直各部门共计提供查询服务65人次、715卷次。服务态度良好,满意率达99%以上,接收表扬信和相关留言多封。 |
3 | 完成馆藏开放鉴定工作。 | 完成馆藏满30年开放鉴定工作。 | 拟定《果博东方(中国)官方网站 档案馆档案2021年开放鉴定工作方案》,根据进度安排,已完成1990年1-145号全宗,共计约20658条档案目录打印、开放鉴定初审。12月完成年度开放鉴定工作。 |
4 | 区档案馆固定陈列展、党史图片展布展工作。 | 配合庆祝建党100周年,组织完成区档案馆固定陈列展、党史图片展布展工作。 | 区档案馆已于6月完成区档案馆固定陈列展、党史图片展布展工作,并对外开放。其中,固定陈列展已在长江日报大武汉APP上进行了推广宣传;党史图片展已配套制作短视频进行了宣传。截至年底,共接待干部、群众、师生等各类参观都2000余人。 |
5 | 协助区档案局完成单位档案管理目标复查认定工作。 | 协助区档案局全面完成2021年全区60余家单位档案管理达省一级以上目标复查认定工作。 | 2021年档案目标管理认定(复查)共67家,年初,召开全区档案目标管理认定(复查)工作会,明确任务,以会代训,对当年业务工作做了详细的讲解;采取线下线上相结合的方式进行档案业务指导根据进度安排,上半年为准备期,考评期集中在下半年,年底全面完成达标验收工作。 |
6 | 《果博东方 年鉴》、《武汉年鉴》供稿。 | 编辑出版2021年版 《果博东方 年鉴》,完成《武 汉年鉴》果博东方 供稿。 | 完成《果博东方 年鉴》(2021年卷) 编纂出版发行工作,全书约60万字;编辑完成《武汉年鉴》(2021年卷)果博东方 供稿任务。 |
7 | 开展《街道志》编修工作。 | 指导全区12条街道(管委会)开展《街道志》编修工作。 | 全区12个街道(管委会)中,红卫路街、新沟桥、白玉山街《街道志》分别完成出版社排版终审,达到出版质量要求;今年已完成对红钢城街、果博东方 镇街、厂前街、武东街、工人村街5条街道志修改稿的指导和审读并提出修改意见。 |
第五部分 名词解释
(一)一般公共预算财政拨款收入:指市级财政一般公共预算当年拨付的资金。
(二)政府性基金预算财政拨款收入:指市级财政政府性基金预算当年拨付的资金。
(三)国有资本经营预算财政拨款收入:指市级财政国有资本经营预算当年拨付的资金。
(四)上级补助收入:指从事业单位主管部门和上级单位取得的非财政补助收入。
(五)事业收入:指事业单位开展专业业务活动及其辅助活动取得的收入。
(六)经营收入:指事业单位在专业业务活动及其辅助活动之外开展非独立核算经营活动取得的收入。
(七)其他收入:指单位取得的除上述“一般公共预算财政拨款收入”、“政府性基金预算财政拨款收入”、“国有资本经营预算财政拨款收入”、“上级补助收入”、“事业收入”、“经营收入”等收入以外的各项收入。(该项名词解释中“上 述等收入”请依据部门收入的实际情况进行解释)
(八)使用非财政拨款结余:指事业单位使用以前年度积累的非财政拨款结余弥补当年收支差额的金额。
(九)年初结转和结余:指单位以前年度尚未完成、结转到本年仍按原规定用途继续使用的资金,或项目已完成等产 生的结余资金。
(十)本部门使用的支出功能分类科目(到项级)
1.一般公共服务(类)财政事务(款)行政运行(项)
2.…
(参考《2021年政府收支分类科目》说明逐项解释)
(十一)结余分配:指事业单位按照会计制度规定缴纳的企业所得税、提取的专用结余以及转入非财政拨款结余的金额等。
(十二)年末结转和结余:指单位按有关规定结转到下年或以后年度继续使用的资金,或项目已完成等产生的结余资金。
(十三)基本支出:指为保障机构正常运转、完成日常工作任务而发生的人员支出和公用支出。
(十四)项目支出:指在基本支出之外为完成特定行政任务或事业发展目标所发生的支出。
(十五)经营支出:指事业单位在专业活动及辅助活动之外开展非独立核算经营活动发生的支出。
(十六)“三公”经费:纳入财政一般公共预算管理的“三公”经费,是指市直部门用一般公共预算财政拨款安排的因公出国(境)费、公务用车购置及运行费和公务接待费。其中,因公出国(境)费反映单位公务出国(境)的国际旅费、国外城市间交通费、住宿费、伙食费、培训费、公杂费等支出;公务用车购置及运行费反映 单位公务用车购置支出(含车辆购置税、牌照费)及燃料费、维修费、过桥过路费、保险费、安全奖励费用等支出;公务接待费反映单位按规定开支的各类 公务接待(含外宾接待)费用。
(十七)机关运行经费:指为保障行政单位(包括参照公务员法管理的事业单位)运行用于购买货物 和服务的各项资金,包括办公费、印刷费、邮电费、差旅费、会议费、福利费、日常维修费、专用材料及一般设备购置费、办公用房水电费、办公用房取暖费、办公用房物业管理费、公务用 车运行维护费以及其他费用。
(十八)其他专用名词。
(根据本部门使用的其他专用名词补充解释)
附件








附件:
关联解读:
扫一扫在手机打开当前页
依申请公开
友情链接:各果博东方(中国)官方网站网站链接